DEHNprotector

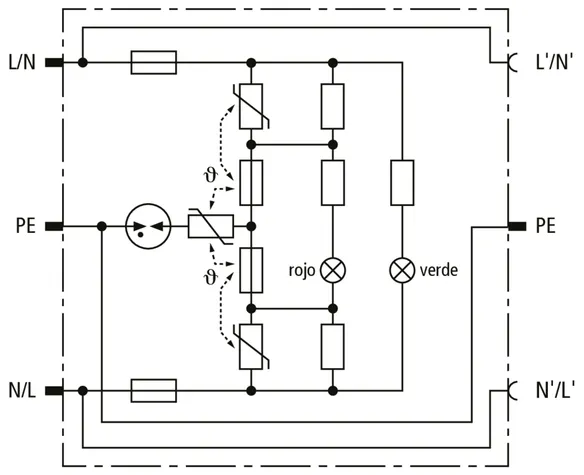
  • Protección contra sobretensiones con dispositivo de vigilancia y separación
  • Indicación óptica de funcionamiento (verde) y señalización óptica de avería (rojo)
  • Mayor seguridad gracias al circuito de protección Y

Detalles

lorem ipsum

DPRO 230 Protector

Adaptador de protección con seguro a prueba de niños integrado.

1 Producto

N.º art. 909230 DPRO 230

GTIN 4013364117686, N.º de arancel aduanero (EU): 85363010, Peso bruto: 239.00 g, Empaquetado: 1.00 unidad(es)

Predecesor

Figuras

Más información



Producto DEHN
Tipo: DPRO 230
art. no.: 909230
o equivalente

Certificados

 

Datos técnicos

DPS según EN 61643-11 / ... IEC 61643-11 Tipo 3 / Clase III
Máx. tensión permisible de servicio AC (UC ) 255 V (50 / 60 Hz) V
Corriente nominal de descarga (8/20 µs) (In ) 3 kA
Corriente total de descarga (8/20 µs) [L+N-PE] (Itotal ) 5 kA
Nivel de protección [L-N] / [L/N-PE] (UP ) ≤ 1350 / ≤ 1500 V
Fusible previo máx. B 16 A
Indicación de fallo LED rojo
Indicación de servicio LED verde

Se ha añadido el artículo 909230 a favoritos.

El artículo 909230 ha sido añadido a la cesta de compra.


back to top